Основні особливості модуля введення-виведення дискретних сигналів МК110-4ДН.4Р
- 4 канали дискретного вводу, групова ізоляція
- Типи вхідних сигналів: сигнали = 24 В, транзисторні ключі pnp, npn типу
- Частота вимірів: до 1 кГц, мінімальна тривалість імпульсу 0.5 мс
- Лічильник імпульсів для кожного каналу. 4 канали дискретного виводу
- Типи вихідних елементів: Р - е / м реле 4 А ~ 250 В або = 24 В
- Можливість видачі ШІМ-сигналу з будь-якого виходу
- Прямая логика работы: преобразование слаботочных сигналов на входе в срабатывание соответствующего выходного э/м реле
- Встроенный источник питания датчиков: =24 В, 180 мА
- Напряжение питания: ~220 В
ОВЕН МК110 має вбудований джерело живлення для підключених до входів модуля датчиків. Прилад може бути використаний у складі автоматизованих систем управління технологічними процесами в різних галузях промисловості, може застосовуватися для сполучення різних датчиків і безконтактних вимикачів (заснованих на ємнісному, индуктивном, оптичному, ультразвуковому і ін. Принципах дії) з виконавчими механізмами. Вбудовані ВЕ можуть працювати в режимі ШІМ, дискретні входи можуть працювати в режимі лічильників імпульсів частотою до 1 кГц. МК110 працює в мережі RS-485 за протоколами ОВЕН, ModBus-RTU, ModBus-ASCII, DCON. МК110 не є Майстром мережі, тому мережа RS-485 повинна мати Майстер мережі, наприклад, ПК із запущеною на ньому SCADA-системою, контролер або регулятор. До МК110 надається безкоштовний ОРС-драйвер і бібліотека стандарту WIN DLL, які рекомендується використовувати при підключенні приладу до SCADA-системам і контролерам інших виробників. Конфігурація МК110 здійснюється на ПК через адаптер інтерфейсу RS-485 / RS-232 або RS-485 / USB (наприклад ОВЕН АСЗ-М або АС4) за допомогою програми «Конфігуратор М110», що входить в комплект поставки.
| Найменування | значення |
| Напруга харчування МК110-220.4ДН.4Р | 90 ... 264 В змінного струму (номінальна напруга 220 В) частотою 47 ... 63Гц |
| Споживана потужність, ВА, не більше | 12 |
| Кількість дискретних вихідних елементів | 4 |
| Параметри дискретних виходів (електромагнітних реле) | 4 А при напрузі не більше 250 В 50 Гц і cos φ> 0,4 або 4 А при постійній напрузі не більше 24 В |
| Кількість дискретних входів | 4 |
| Напруга вбудованого джерела живлення активних датчиків, В | 24 ± 3 |
| Максимальний вихідний струм вбудованого джерела живлення датчиків, мА, не більше | 180 |
| Інтерфейс зв'язку з комп'ютером | RS-485 |
| Максимальна швидкість обміну по інтерфейсу RS-485, б / с | 115200 |
| Протокол зв'язку, який використовується для передачі інформації | ОВЕН; ModBus-RTU; ModBus-ASCII; DCON |
| Ступінь захисту корпусу | IP20 |
| Габаритні розміри приладу, мм | 63х110х73 |
| Маса приладу, кг, не більше | 0,5 |
| Середній термін служби, років | 8 |
| Гальванічна розв'язка дискретних входів | оптоелектронна |
| Електрична міцність ізоляції дискретних входів, В | 1500 |
| Максимальна частота сигналу, що подається на дискретний вхід, кГц | 1 |
| Мінімальна тривалість імпульсу, сприйманого дискретним входом, мс | 0.5 (шпаруватість 2 для частоти 1 кГц) |
| Напруга живлення дискретних входів, В | 24 ± 3 |
| Максимальний вхідний струм дискретного входу, мА, не більше | 8,5 (при напрузі живлення входу 27В) |
| Струм «логічної одиниці», мА, не менше | 4,5 |
| Струм «логічного нуля», мА, не більше | 1,5 |
| Тип датчика дискретного входу | Комутаційні пристрої (контакти кнопок, вимикачів, герконів, реле тощо.). Датчики, які мають на виході транзисторний ключ npn- типу (відкритий колектор) і / або pnp- типу. |
Прилад експлуатується при наступних умовах:
- закриті вибухобезпечні приміщення без агресивних парів і газів;
- температура навколишнього повітря від мінус 10 до +55 ° С;
- верхня межа відносної вологості повітря 80% при 25 ° С і більш низьких температурах без конденсації вологи;
- атмосферний тиск від 86 до 106,7 кПа.
![]() |
| Загальний креслення МК110 |
![]() |
| Схема підключення до ВЕ типу твердотельное реле |
![]() |
| Схема підключення до МК110-220.4ДН.4Р дискретних датчиків з виходом типу «сухий контакт» |
![]() |
| Схема підключення до МК110-220.4ДН.4Р дискретних датчиків з транзисторним виходом npn-типу з ОК |
![]() |
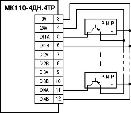
| Схема підключення до МК110-220.4ДН.4Р дискретних датчиків з транзисторним виходом pnp-типу |
![]() |
| Схема підключення до МК110-220.4ДН.4Р дискретних датчиків з транзисторним виходом pnp-типу і npn-типу з ОК (приклад) |
![]() |
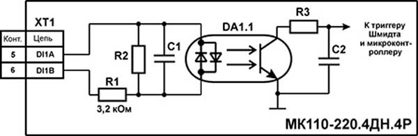
| Електрична принципова схема дискретного входу МК110-220.4ДН.4Р (схема інших входів ідентична наведеної) |










