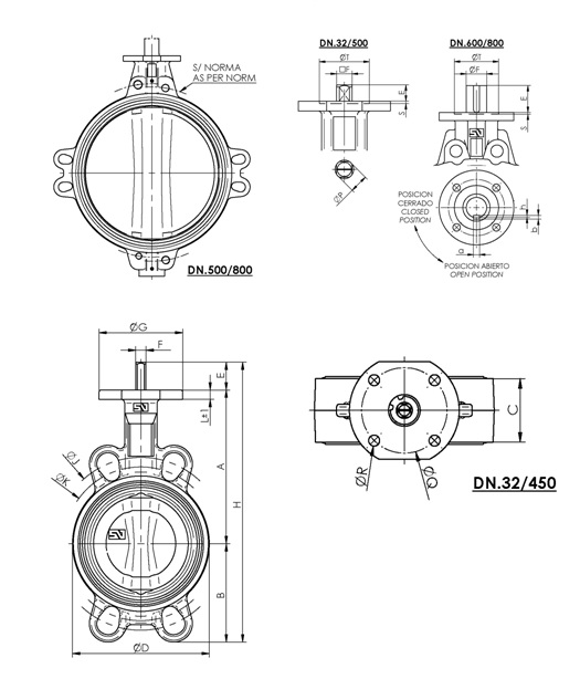
Поворотні клапани типу «батерфляй» виготовляються компанією SIGEVAL (Іспанія) встановлюються на трубопроводи для різних типів рідин, газів. Всі продукція сертифікована як в Європі, так і на Україні, що підтверджує її високу якість. У стандартному виконанні: диск з нержавіючої сталі CF8M, ущільнення EPDM до 130 ° С, тиск 16 бар до DN 150, 10 бар до DN 900. Ущільнення підбирається під необхідне середовище і температурний діапазон.





