Малогабаритні контактори з котушкою управління постійного струму загальнопромислового застосування серії КМІп на струм навантаження від 9 до 32 А призначені для використання в схемах керування електроприводами для пуску, зупинки і реверсування асинхронних електродвигунів з короткозамкненим ротором на напругу до 660 В частоти 50 Гц (категорія застосування АС 3), а також для дистанційного керування ланцюгами освітлення, нагрівальними ланцюгами і різними малоіндуктівнимі навантаженнями (категорія застосування АС-1). Всі виконання мають одну групу замикаючих або спорогенезів додаткових контактів. Область застосування малогабаритних контакторів з котушкою управління постійного струму серії КМІп - управління верстатами, насосами, вентиляторами, тепловими завісами, печами, кран-балками, освітленням, в системах автоматичного введення резерву (АВР), системах безперебійного живлення, в пристроях захисту автоматики, охоронної сигналізації, в системах управління промисловими установками, коммутірованіе трифазних конденсаторних батарей і первинних обмоток трифазних низьковольтних трансформаторів. За своїм конструктивним і технічним характеристикам контактори малогабаритні з котушкою управління постійного струму серії КМІп відповідають вимогам міжнародних і російських стандартів МЕК60947-4-1, ГОСТ Р50030.4.1. Контактори малогабаритні з котушкою управління постійного струму серії КМІп пройшли сертифікаційні випробування, на їх серійний випуск отриманий сертифікат відповідності CN.ME86.B00623 коммутірованіе трифазних конденсаторних батарей і первинних обмоток трифазних низьковольтних трансформаторів. За своїм конструктивним і технічним характеристикам контактори малогабаритні з котушкою управління постійного струму серії КМІп відповідають вимогам міжнародних і російських стандартів МЕК60947-4-1, ГОСТ Р50030.4.1. Контактори малогабаритні з котушкою управління постійного струму серії КМІп пройшли сертифікаційні випробування, на їх серійний випуск отриманий сертифікат відповідності CN.ME86.B00623 коммутірованіе трифазних конденсаторних батарей і первинних обмоток трифазних низьковольтних трансформаторів. За своїм конструктивним і технічним характеристикам контактори малогабаритні з котушкою управління постійного струму серії КМІп відповідають вимогам міжнародних і російських стандартів МЕК60947-4-1, ГОСТ Р50030.4.1. Контактори малогабаритні з котушкою управління постійного струму серії КМІп пройшли сертифікаційні випробування, на їх серійний випуск отриманий сертифікат відповідності CN.ME86.B00623
Ассортимент
| Наименование | Номинальный рабочий ток, А | Номинальное напряжение катушек управления, В |
Количество и вид контактов |
Количество в трансп. коробке, шт. | Артикул | |
![]() |
КМИп-10910 09 А 24 В/АС3 1НО ИЭК | 9 | 24 | 1з | 30 | KMD11-009-024-10 |
| КМИп-10910 09 А 110 В/АС3 1НО ИЭК | 9 | 110 | 1з | 30 | KMD11-009-110-10 | |
| КМИп-10910 09 А 220 В/АС3 1НО ИЭК | 9 | 220 | 1з | 30 | KMD11-009-220-10 | |
| КМИп-11210 12 А 24 В/АС3 1НО ИЭК | 12 | 24 | 1з | 30 | KMD11-012-024-10 | |
| КМИп-11210 12 А 110 В/АС3 1НО ИЭК | 12 | 110 | 1з | 30 | KMD11-012-110-10 | |
| КМИп-11210 12 А 220 В/АС3 1НО ИЭК | 12 | 220 | 1з | 30 | KMD11-012-220-10 | |
| КМИп-11810 18 А 24 В/АС3 1НО ИЭК | 18 | 24 | 1з | 30 | KMD11-018-024-10 | |
| КМИп-11810 18 А 110 В/АС3 1НО ИЭК | 18 | 110 | 1з | 30 | KMD11-018-110-10 | |
| КМИп-11810 18 А 220 В/АС3 1НО ИЭК | 18 | 220 | 1з | 30 | KMD11-018-220-10 | |
| КМИп-22510 25 А 24 В/АС3 1НО ИЭК | 25 | 24 | 1з | 30 | KMD21-025-024-10 | |
| КМИп-22510 25 А 110 В/АС3 1НО ИЭК | 25 | 110 | 1з | 30 | KMD21-025-110-10 | |
| КМИп-22510 25 А 220 В/АС3 1НО ИЭК | 25 | 220 | 1з | 30 | KMD21-025-220-10 | |
| КМИп-23210 32 А 24 В/АС3 1НО ИЭК | 32 | 24 | 1з | 30 | KMD21-032-024-10 | |
| КМИп-23210 32 А 110 В/АС3 1НО ИЭК | 32 | 110 | 1з | 30 | KMD21-032-110-10 | |
| КМІп-23210 32 А 220 В / АС3 1 але ІЕК | 32 | 220 | 1З | 30 | KMD21-032-220-10 |
Технічні характеристики
| Найменування параметру | КМІп-10910 | КМІп-11210 | КМІп-11810 | КМІп-22510 | КМІп-23210 | |
| Номінальна робоча напруга змінного струму U e , В | 230, 400, 660 | |||||
| Номінальна напруга ізоляції U i , В | 660 | |||||
| Номінальна імпульсна напруга U imp , кВ | 6 | |||||
| Номінальний робочий струм I e , категорія застосування АС-3 (U e <400 В), А | 9 | 12 | 18 | 25 | 32 | |
| Умовний тепловий струм I th (t ° <40 °), категорія застосування АС-1, А | 20 | 20 | 32 | 40 | 50 | |
| Номінальна потужність по АС-3, кВт | 230 В | 2,2 | 3 | 4 | 5,5 | 7,5 |
| 400 В | 4 | 5,5 | 7,5 | 11 | 15 | |
| 660 В | 5,5 | 7,5 | 10 | 15 | 18,5 | |
| Максимальна короткочасна навантаження (t <1 с), А | 162 | 216 | 324 | 450 | 576 | |
| Умовний струм короткого замикання I nc , А | 1000 | 3000 | ||||
| Захист від надструмів - запобіжник gG, А | 10 | 20 | 25 | 40 | 50 | |
| Тип координації | 2 | |||||
| Електрична зносостійкість, млн комут. циклів | АС-3 | 1,7 | 1,7 | 1,4 | 1,4 | 1,6 |
| АС-1 | 0,55 | 0,7 | 1,0 | 1,3 | 1,3 | |
| Механічна зносостійкість, млн комут. циклів | 2 | 2 | 2 | 2 | 2 | |
| Потужність розсіювання при Ie, Вт / полюс | АС-3 | 0,2 | 0,36 | 0,8 | 1,25 | 2 |
| АС-1 | 1,56 | 1,56 | 2,5 | 3,2 | 5 | |
Технічні характеристики ланцюга управління КМІп
| Типовиконання | Номінальна напруга. котушки управління Uc, В = | Діапазони напруги управління | Потужність споживання котушки при Uc, Вт | Час спрацювання, мс | Електрична зносостійкий., Млн. Комут. циклів | Механічна зносостійкий., Млн. Комут. циклів | ||||
| срабат. | відпустку. | срабат. | удерж. | замикаючи. | розмикаючи. | АС-3 | АС-1 | |||
| КМІп-10910 09 А 24 В | 24 | (0,85 ÷ 1,1) Uc | (0,1 ÷ 0,75) Uc | 7 | 7 | 70 ÷ 80 | 15 ÷ 20 | 1,7 | 0,55 | 10 |
| КМІп-10910 09 А 110 В | 110 | |||||||||
| КМІп-10910 09 А 220 В | 220 | |||||||||
| КМІп-11210 12 А 24 В | 24 | (0,85 ÷ 1,1) Uc | (0,1 ÷ 0,75) Uc | 7 | 7 | 70 ÷ 80 | 15 ÷ 20 | 1,7 | 0,7 | 10 |
| КМІп-11210 12 А 110 В | 110 | |||||||||
| КМІп-11210 12 А 220 В | 220 | |||||||||
| КМІп-11810 18 А 24 В | 24 | (0,85 ÷ 1,1) Uc | (0,1 ÷ 0,75) Uc | 7 | 7 | 70 ÷ 80 | 15 ÷ 20 | 1,4 | 1,0 | 10 |
| КМІп-11810 18 А 110 В | 110 | |||||||||
| КМІп-11810 18 А 220 В | 220 | |||||||||
| КМІп-22510 25 А 24 В | 24 | (0,85 ÷ 1,1) Uc | (0,1 ÷ 0,75) Uc | 10 | 10 | 80 ÷ 95 | 15 ÷ 20 | 1,4 | 1,3 | 8 |
| КМІп-22510 25 А 110 В | 110 | |||||||||
| КМІп-22510 25 А 220 В | 220 | |||||||||
| КМІп-23210 32 А 24 В | 24 | (0,85 ÷ 1,1) Uc | (0,1 ÷ 0,75) Uc | 10 | 10 | 80 ÷ 95 | 15 ÷ 20 | 1,6 | 1,3 | 6 |
| КМІп-23210 32 А 110 В | 110 | |||||||||
| КМІп-23210 32 А 220 В | 220 | |||||||||
Технічні характеристики вбудованих додаткових контактів
| Найменування параметру | значення | |
| Номінальна напруга U n , В | змінного струму | ≤ 660 |
| постійного струму | ≤ 440 | |
| Номінальна напруга ізоляції U i , В | 660 | |
| Струм термічної стійкості (t °? 40 °) I th , А | 10 | |
| Мінімальна включає здатність | U min , В | 24 |
| I min , мА | 10 | |
| Захист від надструмів - запобіжник gG, А | 10 | |
| Макс. короткочасна навантаження (t≤1 с), А | 100 | |
| Опір ізоляції, не менше, MОм | > 10 | |
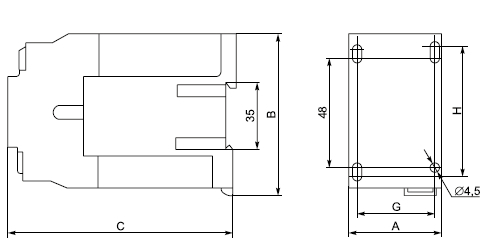
габаритні розміри
| Розміри, мм | КМІп-10910 | КМІп-11210 | КМІп-11810 | КМІп-22510 | КМІп-23210 |
| А | 45 | 45 | 45 | 58 | 58 |
| B | 75 | 75 | 75 | 80 | 80 |
| C | 115 | 115 | 120 | 130 | 136 |
| G | 35 | 35 | 35 | 40 ÷ 50 | 40 ÷ 50 |
| H | 50 ÷ 60 | 50 ÷ 60 | 50 ÷ 60 | 50 ÷ 60 | 50 ÷ 60 |
| Маса, не більше, кг | 0,57 | 0,57 | 0,584 | 0,845 | 0,862 |
| КМІп-10910, КМІп-11210, КМІп-11810 |

| КМІп-22510, КМІп-23210 |





