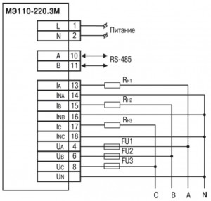
Прилад призначений для вимірювання напруги, сили струму, частоти, потужності, фазового кута і коефіцієнта потужності в трифазних мережах, перетворення виміряних параметрів в цифровий код і передачі результатів вимірювань в мережу RS-485. Прилад може бути використаний у складі вимірювальних систем контролю і управління технологічними процесами на промислових підприємствах і на об'єктах житлово-комунального і сільського господарства. Прилад не є Майстром мережі, тому мережа RS-485 повинна мати Майстер мережі, наприклад, ПК із запущеною на ньому SCADA-системою, контролер або регулятор. До приладу надається безкоштовний ОРС-драйвер і бібліотека стандарту WIN DLL, які рекомендується використовувати при підключенні приладу до SCADA-системам і контролерам інших виробників. Конфігурація приладу здійснюється на ПК через адаптер інтерфейсу RS-485 / RS-232 або RS-485 / USB (наприклад, ОВЕН АСЗ-М або АС4) за допомогою програми «Конфігуратор М110», що входить в комплект поставки. Прилад відповідає вимогам по стійкості до впливу перешкод відповідно до ГОСТ Р 51522 для обладнання класу А. Модулі МЕ110 орієнтовані в першу чергу на вітчизняного споживача МЕ110 є повністю власною розробкою найбільшого вітчизняного виробника засобів промислової автоматизації - компанії ОВЕН. Все це означає: Модулі МЕ110 орієнтовані в першу чергу на вітчизняного споживача МЕ110 є повністю власною розробкою найбільшого вітчизняного виробника засобів промислової автоматизації - компанії ОВЕН. Все це означає: Модулі МЕ110 орієнтовані в першу чергу на вітчизняного споживача МЕ110 є повністю власною розробкою найбільшого вітчизняного виробника засобів промислової автоматизації - компанії ОВЕН. Все це означає:
- зручність придбання через широку дилерську мережу;
- гарантійне і післягарантійне обслуговування в сервісних центрах по всій Україні;
- детальну документацію повністю російською мовою;
- грамотну технічну підтримку і навчання.
| Найменування | значення |
| живлення | |
| Напруга живлення від мережі змінного струму, В | від 90 до 264 частотою від 45 до 65Гц |
| Споживана потужність, ВА, не більше | 7,5 |
| Вимірювання фазної напруги | |
| Вхідний сигнал (діюче значення) З використанням зовнішніх трансформаторів напруги | ~ (1 ... 400) В, від 45 до 65 Гц ~ (1 × 10-3 ... 4000 × 103) В, від 45 до 65 Гц |
| Максимальна допустима значення, не більше 1 сек | 800 В |
| Основна приведена похибка вимірювань | 0,15% |
| Роздільна здатність, В | 0,1 |
| Вхідний опір, кОм, не менше | 500 |
| Час опитування входу, сек, не більше | 1 |
| Кількість каналів вимірювання | 3 |
| Вимірювання лінійної напруги (міжфазного) | |
| Вхідний сигнал (діюче значення) З використанням зовнішніх трансформаторів напруги | ~ (2 ... 580) В, від 45 до 65 Гц ~ (2 × 10-3 ... 5800 × 103) В, від 45 до 65 Гц |
| Максимальна допустима значення, не більше 1 сек | 800 В |
| Основна приведена похибка вимірювань | 0,5% |
| Роздільна здатність, В | 0,1 |
| Вхідний опір, кОм, не менше | 500 |
| Час опитування входу, сек, не більше | 1 |
| Кількість каналів вимірювання | 3 |
| Вимірювання сили струму | |
| Вхідний сигнал (діюче значення), А З використанням зовнішніх трансформаторів струму, А | від 0,005 до 5 від 0,005 × 10-3до 50 × 103 |
| Максимальна допустима значення, не більше 1 сек | 10 А |
| Основна приведена похибка вимірювань | 0,15% |
| Час опитування входу, сек, не більше | 1 |
| Роздільна здатність, А | 0,001 |
| Вхідний опір, Ом, не більше | 0,01 |
| Кількість каналів вимірювання | 3 |
| Вимірювання повної, активної і реактивної потужності | |
| Вхідний сигнал (діюче значення), кВт, кВА, кВАр З використанням зовнішніх трансформаторів (напруги / струм) | від 0,02 до 2 від 0,2 × 10-6 до 200 × 109 |
| Основна приведена похибка вимірювань | 0,2% |
| Час обчислення, сек, не більше | 1 |
| Роздільна здатність, Вт, ВА, Вар | 1 |
| Кількість каналів вимірювання | 3 |
| Вимірювання частоти першої гармоніки | |
| Діюча частота першої гармоніки, Гц | від 45 до 65 |
| Основна приведена похибка вимірювань | 0,15% |
| Час опитування входу, сек, не більше | 1 |
| Роздільна здатність, Гц | 0,01 |
| Кількість каналів вимірювання (активний) | 1 |
| Вимірювання коефіцієнта потужності cosφ | |
| Діапазон вимірювання (в робочому діапазоні потужності) | від 0 до 1 |
| Основна похибка вимірювань | 1,0% |
| Час обчислення, сек, не більше | 1 |
| Роздільна здатність | 0,01 |
| Кількість каналів вимірювання | 3 |
| Вимірювання фазового кута | |
| Діапазон вимірювання (в робочому діапазоні напруг) | від 10 ° до 170 ° |
| Основна похибка вимірювань | 0,4% |
| Час опитування входу, сек, не більше | 1 |
| Роздільна здатність | 1 ° |
| Кількість каналів вимірювання | 3 |
| Інтерфейс зв'язку RS-485 | |
| Швидкості обміну, біт / сек | 2400, 4800, 9600, 14400, 19200, 28800, 38400, 57600, 115200 |
| протоколи зв'язку | ОВЕН; ModBus-RTU; ModBus-ASCII; DCON |
| Вхідний опір, кОм | 12 |
| конструктивне виконання | |
| Ступінь захисту корпусу | IP20 з боку передньої панелі IP20 з боку клемної колодки |
| Габаритні розміри приладу, мм | (96 × 73 × 110) ± 1 |
| Масса прибора, кг, не более | 0,5 |





